欢迎来到深圳市精钻智能制造有限公司官网!

网站地图

高新技术企业

专注零点定位系统与工装快换夹具、定位卡盘等研发生产20多年

  

  

您的位置: 网站首页 > 解决方案

解决方案

铸造工件工装设计案例

铸造工件工装设计案例

张世君  山东浩信集团有限公司 山东潍坊 261307 摘要:铸造产品加工时大多采取直角弯板加V形块压板的方式进行装夹,方法单一,效率不高,而且介绍异形件车削用夹具的教材也不多,针对此问题,笔者根据多年在零部件开发制造中积累的经验,总结了几款异形件及阀体车削用工装的设计思路,可以作为铸造型壳类产品设计夹具的参考。  关键词:对开式三爪夹具;大行程两爪工装;夹具制造;失效分析;铸造工件
2024-05-22 16:44
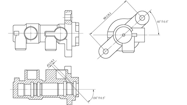
制动主缸体斜孔加工夹具的设计应用

制动主缸体斜孔加工夹具的设计应用

刘振利,陈强,刘振国,李政,黄向晨,曹凯,鲁云龙,黄忠  东北工业集团有限公司 吉林长春 130012 摘要:设计了一种能够实现以1°为单位的水平方向和垂直方向的任意角度旋转定位的夹具,该夹具适用于汽车制动主缸体斜孔加工及其他具有类似结构但斜孔角度变化的多品种产品的定位加工,在不同角度的产品切换时就不再需要更换不同夹具进行调整操作,使用这一套夹具进行微调后可适应不同规格的产品使用。  关键词:任意角度;斜孔加工;快速切换;夹具
2024-05-21 16:41
工件定位与装夹方案

工件定位与装夹方案

张文明,吴国君,张守明,刘冬青,李敬  航天科工第四研究院红阳机电公司 湖北孝感 432000   摘要:通过分析定位与装夹在加工过程中所起的作用,提出了选择定位与装夹的一些原则性工艺常识,同时,通过对几种典型结构工件在加工过程中关于定位与装夹的工艺分析,对工件在加工过程中如何选择合适的定位与装夹方案进行了深入的研究。  关键词:机械加工;工件定位;工件装夹
2024-05-17 14:11
CNC铣床小型、异形零件快速定位夹具设计应用

CNC铣床小型、异形零件快速定位夹具设计应用

  罗树宏   恺博座椅机械部件有限公司 上海 201315   摘要:主要阐述一种应用于CNC铣床的通用夹具设计方案,并展示应用实例,针对此类零件提高装夹适用范 围,降低装夹和零点找正时间(单件时间1~2min以内)且保证零点重复定位精度在0.005mm以内。    关键词:CNC铣床;模具零件;快速装夹;高精度;异形零件;小型零件
2024-05-16 16:06
异形盘类零件磨削加工定位夹紧装置的设计

异形盘类零件磨削加工定位夹紧装置的设计

彭琛,张颖利  南京信息职业技术学院智能制造学院 江苏南京 210023  摘要:一般夹具设计时,往往是基于一次装夹完成所有部位加工的思路来进行设计。但在设计某些异形盘类零件夹具时,却需要打破常规设计思路,化整为零,充分利用零件自身几何特征,设计出结构简单、装夹方便、定位精准的专用夹具。以一种适于磨削加工的异形盘类零件为例,充分利用普通磨床的加工能力和待加工零件的几何特征,设计一种特殊夹具。虽然该夹具一次只能加工零件一个部位,但却可以实现一次装夹多个零件,并可通过固定规律的装夹与加工,最终保证零件加工质量并实现零件的高效加工。  关键词:异形盘类零件;定位方式;夹紧装置;磨削加工
2024-05-13 16:34
  • 电话:400-880-9912
  • QQ:2850995004
  • 邮箱:zgx@szjztools.com
  • 地址:深圳市光明区马田街道将石社区石围大田洋工业区A栋101