欢迎来到深圳市精钻智能制造有限公司官网!

网站地图

高新技术企业

专注零点定位系统与工装快换夹具、定位卡盘等研发生产20多年

  

  

小banner2
您的位置: 网站首页 > 解决方案 > 异形盘类零件磨削加工定位夹紧装置的设计

异形盘类零件磨削加工定位夹紧装置的设计

发布时间:2024-05-13 16:34
信息摘要:
彭琛,张颖利
 南京信息职业技术学院智能制造学院 江苏南京 210023
 摘要:一般夹具设计时,往往是基于一次装夹完成所有部位加工的思路来进行设计。但在设计某些异形盘类零件夹具时,却需要打破常规设计思路,化整为零,充分利用零件自身几何特征,设计出结构简单、装夹方便、定位精准的专用夹具。以一种适于磨削加工的异形盘类零件为例,充分利用普通磨床的加工能力和待加工零件的几何特征,设计一种特殊夹具。虽然该夹具一次只能加工零件一个部位,但却可以实现一次装夹多个零件,并可通过固定规律的装夹与加工,最终保证零件加工质量并实现零件的高效加工。
 关键词:异形盘类零件;定位方式;夹紧装置;磨削加工
  1 序言

  盘类零件是机械加工中最常见的零件种类之一,且一般具有回转结构及加工部位对称的特点。因而,盘类零件夹具在设计时,多会借助圆形或其他具有回转结构的对称形状来进行设计。一般情况下,将盘类零件装夹到夹具上并固定后,往往是利用加工设备,一次性加工完设备可加工的部位。

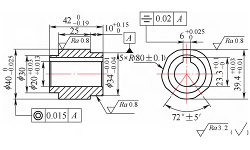
图1

  图1 待加工异形盘类零件


  但上述设计思路对于图1所示的某企业待加工的异形盘类零件却不适用。由图1所示的零件图样可知,该零件有5个均布R80mm圆弧,要求圆弧长度方向不得有锥度,零件全部倒角为1mm×45°。该零件经过热处理后,待加工部位的硬度达到60~62HRC。一般情况下,铣削加工设备中所用的刀具只适用于硬度<60HRC的工件,硬度>60HRC的工件,一般只能采用磨削加工,否则加工成本过高,经济性差。结合待加工零件自身的几何特征,设计了一种结构简单且装夹方便的专用夹具。
  2 现有夹具的设计缺陷
  一般情况下,零件的定位方式和夹紧装置是机床夹具设计的关键,将直接影响零件的加工精度[1]。对于图1所示的类似零件,往往是利用零件中心的槽孔,设计穿心轴配合分度盘来进行装夹,或借助轴孔中的心轴与锁紧螺母配合进行定位[2,3]。但从图1所示的待加工零件的几何特征细节来看,零件的内外结构具有以下几何特征。
  1)该零件内部结构简单,易于装夹和加工。
  2)该零件外部结构的截面虽然近似圆形,但实际却是分别由5段R80mm和5段R20mm的圆弧所构成,且R80mm和R20mm的圆弧中心不重合。
  同时,由图样上的加工要求也可知,该零件在加工过程中还有以下难点。
  1)待加工部位的硬度达到60~62HRC,一般只能采用磨削加工。
  2)待加工部位的截面形状不是规则的圆形,故在加工时不能使用普通的机床夹具进行定位,而需要根据待加工部位的几何特征来设计特殊的夹具,以确保零件的加工精度。
  3)由于待加工部位虽是圆弧,但与中心圆孔的中心不重合,常规设计的夹具无法解决加工圆弧与工件中心不重合的情况,甚至无法实现圆周运动,仅能完成特定的回转度,对72°的分度需求无法达成[1,4]。
  如果采用传统穿心轴配合分度盘或盛焕君等[3]的思路来设计夹具,则产品在加工的时候,分度盘不仅需要进行计算和选择适宜的分度孔,而且操作步骤繁琐,需要多次调整才能完成1个零件的5个弧面加工,费时费力。除此以外,分度盘一般使用蜗杆蜗轮机构来进行控制,只能完成特定角度的回转,如90°、60°、45°和30°,不适用于72°,加工精度无法保证。徐礼标[5]提出的“利用‘误差平均效应’原理,以圆柱销和钢球对定的分度装置设计的快速分度定位盘类夹具”亦不适用于72°分度的特殊角度。此外,若使用平磨加工,R80mm的圆弧面无法加工出来。
  综上所述,传统夹具的设计思路无法满足零件的技术要求,需要另寻其他方案来进行夹具设计。
  3 设计思路
  由于传统夹具设计方案或其他已发表的夹具设计方法存在缺陷,针对图1所示零件的具体几何特征,可以打破传统夹具一次性整体加工的方案,化整为零,用一种新的思路来设计。
  1)利用某一具有和待加工零件相同分度参数的特殊夹具本体,通过特定的轴和一些标准件,将零件装夹好。
  2)一次装夹时,需要同时安装5个待加工零件,使得磨床加工5个工件不同位置的一段工作弧面。
  3)这5处待加工圆弧如果从夹具本体正上方投影后,将其集聚到同一圆心,恰好可以看到这5处圆弧与单一零件待加工的5处圆弧重叠。
  4)将待加工零件按同一方向同一方位依次装夹,5次一组,即可完成5个零件所有待加工圆弧表面的加工。
  这种设计方案,夹具结构简单但设计巧妙,仅需圆形底盘与定位轴和定位键配合,即可实现工件轴向和径向定位。夹具的定位精度高,装夹可靠。夹具虽然形状特殊,但加工简便,制作成本低,且适宜大批量零件加工,可减少专用夹具的使用,并可应用于相似结构的异形盘类零件加工。
  4 夹具设计

  根据上述设计思路,图2所示夹具由以下几部分组成。

图2

  1—紧固螺母 2—垫圈 3—待加工零件 4—夹具主体定位轴 5—定位平键 6—定位螺钉 7—夹具主体

图2-ab

  图2 夹具主体结构


  定位螺钉、定位平键、垫圈和紧固螺母均采用标准件,对应的工作原理是:夹具主体定位轴两头采用紧固螺母,用来限制夹具主体定位轴和待加工零件的轴向运动,同时将夹具主体定位轴与夹具主体固定。
  如图2所示,由于夹具主体充分利用了待加工零件的几何特征,在夹具主体的圆形表面上均匀分布了5个形状以及尺寸相同的待加工零件定位孔,且待加工零件定位孔上的内键槽的形状、大小和朝向均相同。当使用磨床加工零件时,按顺序在夹具主体上放置好5个待加工零件,分别对5个零件的待加工圆弧进行磨削加工。如果将这5段待加工圆弧的圆心集聚为1点,并将其投影到与夹具主体端面平行的平面后,恰好可以看出,这5处圆弧与单一零件待加工的5处圆弧重叠。因此,后面只要按顺时针或逆时针方向将待加工零件分别装夹到夹具主体内其他的待加工零件定位孔内键槽上,依次加工5次,就可以将5个零件的加工工作全部完成。由该夹具的几何特征可见,工件装夹简单,易于操作,且加工效率和可靠性均较高。

  在车间利用相关机械加工设备进行产品试生产验证,夹具及产品加工效果如图3所示。借助专用检测工具进行检测,结果表明所设计的夹具完全能够满足待加工零件的机械加工要求。

图3

  图3 夹具及产品加工效果


  5 结束语
  经过实践检验,充分利用待加工零件自身的几何特性,打破传统整体装夹加工形式,探索出一种结构简单但易于加工制造的特种异形盘类零件夹具设计方案,设计出的夹具不仅可以保证零件加工的精度和效率,而且便于装夹和操作。文中提供的设计思路可以借鉴到其他相似零件的夹具设计之中。
  参考文献:
  [1] 朱敏红,杭国花. 机床专用夹具中的定位和夹紧设计[J]. 机械工程与自动化,2022(12):118-119,122.
  [2] 陈先桥. 用于差速器右壳铣扁方工序的夹具结构:CN201721785416.4[P]. 2018-09-11.
  [3] 盛焕君. 多轴磨头组合双端面数控磨床:CN201310077315.1 [P]. 2013-03-12.
  [4] 都垚,李国学,倪长圣,等. 工艺工装夹具体的设计[J]. 世界制造技术与装备市场,2023(1):48-50.
  [5] 徐礼标. 回转等分孔专用夹具设计[J]. 现代工业经济和信息化,2018(14):36-37.
  转载来源:彭琛, 张颖利. 异形盘类零件磨削加工定位夹紧装置的设计[J]. 金属加工(冷加工), 2023, (11): 43-45. DOI: 10.3969/j.issn.1674-1641.2023.11.013
            

热品推荐

3A-400108 R型54定位片

3A-400108 R型54定位片

规格:54*54mm,淬火基准元件,不锈钢(防腐蚀) 注意:装夹到卡盘之前必须被安装在工件/夹具底面 产品编号:3A-400108
R型30压铸机气动卡盘

R型30压铸机气动卡盘

规格:解锁气压 0.6MPa、固定分度位置 4*90 度 ,气喷清理Z-基准面 夹紧力:6600N(增压气压0.6MPa)、1000N(增压气压1MPa) 重复定位精度:0.002mm  额定压力负荷:32吨 应用:用于粉末压铸机器 产品编号:3A-100077
3A-200133 可调横梁

3A-200133 可调横梁

特点:材质采用高级不锈钢,真空热处理后经深冷处理至硬度HRC50~55再进行研磨加工,因此本体不易变形。 应用:用于线割机床大尺寸的零件加工,产品可根据客户行程订做。 平行精度:0.002/100mm以内 垂直精度:0.002/100mm以内 注意:工件最大重量70kg(两根一起使用时),超过70kg时螺丝等任何部位都有肯能损伤。
3A-110226 75150J1虎钳

3A-110226 75150J1虎钳

规格:中间夹爪是固定不动的,以确保在任何条件下都能正确夹紧工件,可在同一个虎钳上同时加工两种不同规格的零件 应用:适用于立式和卧式精密加工设备 特点:夹爪钳口位置带有燕尾结构,可提供有效的夹紧力 产品编号:3A-110226 
3A-700003 定位锁紧球锁轴

3A-700003 定位锁紧球锁轴

热处理:球锁轴,HRC 40 - 45                接受套,HRC 50 - 54               定位套,HRC 62 - 64 单位:公制 产品编号:3A-700003
3A-700001 接受套

3A-700001 接受套

安装好的接受套表面应低于基础板表面约0.3mm 正装型接受套常用于盲孔(间隙配合)  单位:公制 产品编号:3A-700001 
  • 电话:400-880-9912
  • QQ:2850995004
  • 邮箱:zgx@szjztools.com
  • 地址:深圳市光明区马田街道将石社区石围大田洋工业区A栋101